OPTOKON GROUP

S40G-QP-DAC 40G QSFP+ Direct Attach Passive Cable

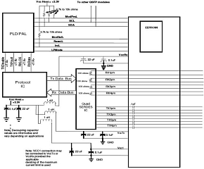
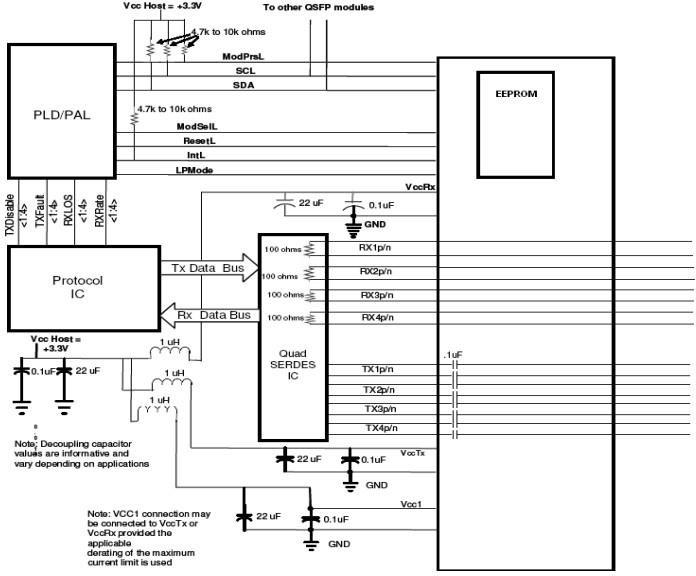
The S40G-QP-DAC QSFP+ passive cable assemblies serve as high-performance and economically viable I/O solutions suitable for 40G LAN, HPC, and SAN applications. Complying with SFF-8436, QSFP+ MSA, and IEEE P802.3ba 40GBASE-CR4 standards, these QSFP+ passive copper cables are designed to offer a low-power, short-reach interconnect solution. Each lane of the cable is capable of transmitting data at rates up to 10Gbps, resulting in an aggregated rate of 40Gbps.

  • High-Density QSFP 38-PIN Connector
  • Hybrid cable conforms to the Small Form Factor SFF-8436
  • Maximum aggregate data rate: 41.25 Gbps (4 x10.3125Gbit/s)
  • Copper link length up to 7 m
  • Power Supply :+3.3V
  • Temperature Range: 0~70°C
  • Low power consumption: 0.02 W (typ.)

Recommended operating environment:

Parametr

Min.

Max.

Storage Temperature

- 40 °C

+ 85 °C

Operating Case Temperature

0 °C

+ 70 °C

Power Dissipation

0.02 W

 

 

 

 

 

 

  • 10G/40Gigabit Ethernet
  • InfiniBand SDR, DDR, QDR
  • Switches, Routers and HBA
  • Data Centers
OPTOKON ChatBot