OPTOKON GROUP

HMA-J Series connector

The OPTOKON HMA-J connector series, a medium size „Expanded Beam“ connector is designed for connection of the nodes of tactical network by the help of cables with optical fibers. The used expanded beam technology preservers all advantages of signals transmission through the optical lines in field harsh environmental conditions. Additionally to military optical networks the HMA-J is suited for a vast array of applications, like heavy industry connections, petrochemical application, broadcasting temporary optical lines.

The innovative designs ensure its ability for deployment in the toughest environments where high performance and total reliability are critical. Benefiting from expanded beam technology the precision optical alignment system creates immunity from water, mud, dust oil and other contaminants.

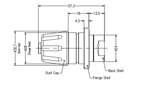
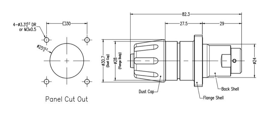
The HMA-J Hermaphroditic coupling eliminates the need for adaptors and male and female mating halves. Hermaphroditic housings allow for rapid deployment, creating low loss Singlemode and Multimode daisy chained links in a variety of planforms ranging from simplex fiber to a four fibers. The OPTOKON HMA-J is ideally suited for environmental extremities where low maintenance and quick repairability is necessary.
 

  • Advanced expanded beam technology
  • MIL-DTL-83526 compatible
  • Hermaphroditic interconnection
  • 2/4 fiber channels Single mode or Multimode
  • Rugged connector design

Benefits:

  • Best optical performance available
  • No adaptors necessary
  • Easy clean, no special tools

Insertion Loss

Typical 0.8-1.8 dB @ 1310, 1550 nm Single mode

Typical 0.5-1.0 dB @ 850, 1300 nm Multimode

Return Loss

>32 dB Single mode only

Durability

3000 matings minimum

Operating temperature

-45 to +85 °C

Storage temperature

-55 to +85 °C

Water immersion

Up to 15 m depth duration

Vibration sinusoidal

10-500 Hz, 3 directions, 0.75 mm amplitude @ 10 g acceleration

Free fall resistance

500 falls from 1.2 m height

Shock

11 ms, 3 axis, 50 g

 

  • Broadcast
  • Military communications
  • Industrial
  • Petrochemical
OPTOKON ChatBot